鶴見川流域
- 更新日
鶴見川流域の概要
鶴見川は、町田市上小山田に源を発し、東京都町田市、神奈川県川崎市、横浜市を流れ、東京湾に注ぐ一級河川です。東京都内は町田市と稲城市を流域とし、恩田川、真光寺川、麻生川が支川として流れています。
| 都管理区間 | 鶴見川 | 恩田川 | 真光寺川 | 麻生川 |
| 延長(km) | 10.2 | 4.8 | 1.9 | 0.6 |
過去の水害
河川からの溢水が発生した水害(外水による被害)として、平成20年8月末豪雨があります。図師町雨量観測所で1時間あたり115mmの降雨を観測し、鶴見川上流部で浸水被害が発生しました。詳細については、以下のページからご確認いただけます。
〇過去の水害記録~水害実績図~
鶴見川流域の主な水害
〇過去の水害記録~水害実績図~
鶴見川流域の主な水害
| 年月日 | 原因 | 流域平均 2日雨量(mm) |
観測所 | 時間最大雨量 (mm) |
最大流量(m3/s) (末吉橋) |
被害状況 | |
| S13.6.28-7.3 | 台風 | 370 | - | - | - | 床上:約4,000戸 床下:約7,800戸 |
|
| S16.7.19-23 | 台風及び前線 | 213 | - | - | - | 床上:2,140戸 床下:4,590戸 |
|
| S33.9.26 | 台風22号 (狩野川台風) |
343 | 綱島 | 61 | 510 | 床上・床下: 約20,000以上 |
|
| S41.6.27 | 台風4号 | 307 | 都田 | 34 | 500 | 床下:11,840戸 | |
| S46.8.31 | 台風23号 | 151 | 鶴川 | 54 | 340 | 床上:93戸 床下:1,240戸 |
|
| S48.11.10 | 前線豪雨 | 106 | 綱島 | 29 | 330 | 床下:34戸 | |
| S49.7.8 | 台風8号 | 96 | 都田 | 43 | 490 | 床上:330戸 床下:780戸 |
|
| S51.9.9 | 台風17号及び前線 | 160 | 鶴川 | 53 | 690 | 床上:1,210戸 床下:2,730戸 |
|
| S52.9.10 | 台風9号 | 200 | 都田 | 66 | 600 | 床上:440戸 床下:650戸 |
|
| S54.10.19 | 台風20号 | 128 | 長津田 | 27 | 390 | 床上:80戸 床下:370戸 |
|
| S56.10.22 | 台風24号 | 180 | 川崎・鶴見 | 34 | 760 | 床上:6戸 床下:280戸 |
|
| S57.9.12 | 台風18号 | 218 | 日吉 | 47 | 1,050 | 床上:910戸 床下:1,800戸 |
|
| H1.7.31 | 前線豪雨 | 177 | 鶴見 | 89 | - | 床上:7戸 床下:190戸 |
内水 |
| H3.9.19 | 台風18号 | 287 | 荏田 | 49 | 1,020 | 床上:27戸 床下:30戸 |
|
| H6.8.20 | 前線豪雨 | 167 | 都田 | 71 | - | 床上:1戸 床下:11戸 |
内水 |
| H10.7.30 | 前線豪雨 | 66 | 都田 | 64 | - | 床上:1戸 床下:73戸 |
内水 |
| H16.10.9 | 台風22号 | 294 | 川崎 | 55 | - | 床下:190戸 | 内水 |
整備目標・内容
鶴見川流域では、昭和30年代中頃からの急激な市街化に伴う浸水被害が頻発、全国に先駆けて流域が一体となって総合的な治水対策に取り組んできました。
こうした取り組みの中で、東京都管理区間においては整備目標規模の洪水に対し、浸水被害の防止・軽減を図ることを目標として、1時間あたり50mmの降雨に対応できる河川整備を行っています。
こうした取り組みの中で、東京都管理区間においては整備目標規模の洪水に対し、浸水被害の防止・軽減を図ることを目標として、1時間あたり50mmの降雨に対応できる河川整備を行っています。
洪水対策
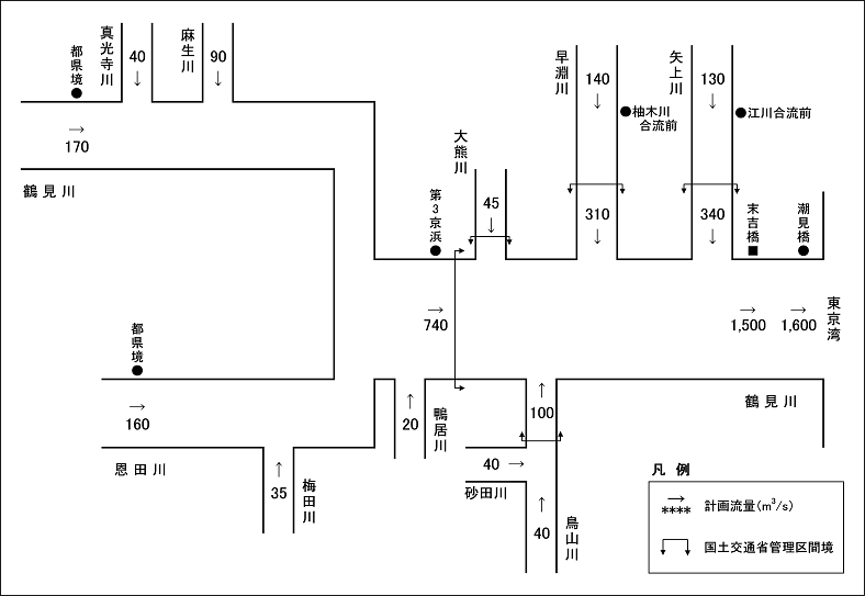
洪水対策として主に"護岸整備"を実施し、下図に示す各河川の計画流量の確保を図ります。
河道断面の確保
1時間あたり50mmの降雨に対応するため、河道断面の拡幅を実施しています。こうした河川整備を行うにあたっては、生物の生息・生育・繁殖環境を確保するため、瀬や淵のある多様性に富んだ河川形態の保全・創出、良好な河畔林の保全に努めています。
また、水辺へのアクセスなど河川の空間利用については、治水施設との調和を図りつつ、緩傾斜護岸の整備や管理用通路の緑化等、人々が親しめる水辺空間の創出を可能な限り図っていきます。
また、水辺へのアクセスなど河川の空間利用については、治水施設との調和を図りつつ、緩傾斜護岸の整備や管理用通路の緑化等、人々が親しめる水辺空間の創出を可能な限り図っていきます。
護岸整備イメージ図
整備後イメージ(緩傾斜護岸の場合)
整備状況
現在鶴見川で事業を実施している区間は、町田市図師町にある宮川橋から上流の区間です。東京都管理区間の進捗としては、対象延長の内76%の整備が完了しています。また、支川の恩田川(最上流端の一部を除く)、真光寺川、麻生川については全区間の整備が完了しています。
河川の安全度達成率・護岸整備率
鶴見川、恩田川、真光寺川では、護岸整備や調節池整備を着実に推進し、令和3年度末時点の「河川の安全度達成率」及び「護岸整備率」はそれぞれ以下の通りとなっています。
※1 河川の目標整備水準に対応する対策(調節池や護岸整備、河床掘削など)の達成度を表す指標
※2 護岸整備が必要な延長に対する整備済み延長の割合
| 鶴見川 | 恩田川 | 真光寺川 | |
| 河川の安全度達成率※1 | 95% | 99% | 100% |
| 護岸整備率※2 | 76% | 99% | 100% |
※2 護岸整備が必要な延長に対する整備済み延長の割合
河川整備計画
特定都市河川浸水被害対策法
平成16年に「特定都市河川浸水被害防止法」が施行され、鶴見川流域は平成17年4月1日に全国で初めて特定都市河川及び特定都市河川流域の指定を受けました。また、本法律に基づき、平成19年3月に「鶴見川流域水害対策計画」を策定しています。
特定都市河川流域では、雨水流出を増加させるような開発行為(雨水浸透阻害行為)は許可が必要となっています。詳細については、以下のページからご確認ください。
〇特定都市河川浸水被害対策法について
特定都市河川流域では、雨水流出を増加させるような開発行為(雨水浸透阻害行為)は許可が必要となっています。詳細については、以下のページからご確認ください。
〇特定都市河川浸水被害対策法について
お問い合わせ
東京都 建設局 河川部 計画課 総合治水河川担当
電話:03-5320-5415
電話:03-5320-5415
記事ID:017-001-20240710-001806